

UF系列

● 正反双向测量
● 活动法兰设计,安装更便捷
● IP68防护等级,可长期水下工作
● 无活动部件,免维护
● 内置电池,无需外接供电
● 压力可选
● 实时自检
● 执行标准:GB/T 35138-2017;JJG 1030-2007
● 流速范围:(0.05 - 6)m/s
● 准确度等级:1.0级
● 测量介质:水及其他匀质液体,并充满测量管道
● 介质温度:0.1 - 50 ℃
● 工作环境:-25℃ - +55℃
● 防护等级:IP 68
● 耐压等级:1.6MPa
● 电池参数:内置锂电池;15年预期工作寿命
● 屏幕显示:可显示12位累计量(小数点位可调整);四位瞬时流量/压力
| 型号 | UF(*压力可选) | ||||||||||
公称口径 | (mm) | 40* 螺纹连接 | 50* | 65 | 80* | 100* | 125 | 150* | 200 | 250 | 300 |
| (inch) | 1.5 螺纹连接 | 2 | 2.5 | 3 | 4 | 5 | 6 | 8 | 10 | 12 | |
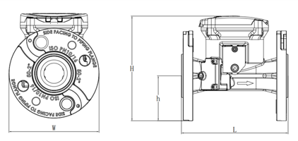
| L - 不含接管长度 (mm) | 245 | 200 | 200 | 225 | 250 | 250 | 300 | 350 | 449 | 499 | |
| W - 宽度 (mm) | 113 | 165 | 185 | 200 | 220 | 250 | 285 | 340 | 406 | 489 | |
| H - 高度 (mm) | 155 | 194 | 210 | 210 | 223 | 258 | 282 | 332 | 383 | 456 | |
| h - 高度 (mm) | 35 | 84.5 | 90 | 90 | 103 | 125 | 140 | 165 | 203 | 245 | |
| 重量 (kg) - 球墨铸铁 | 68 | 96 | |||||||||
| 重量 (kg) - 316不锈钢 | 4.5 | 7.9 | 9.8 | 10.2 | 13.2 | 14 | 20.5 | 28.5 | |||
| 法兰孔数量 | 4 | 4 | 8 | 8 | 8 | 8 | 8/12 | 12 | 12 | ||
| 螺纹连接 | 法兰连接 |
![]() | ![]() |